Гидравлическая лебедка с функцией свободного сброса IYJ45-200-32-24-ZPL с тяговым усилием 20 тс и тросом 32 м

Лебедка гидравлическая с функцей свободного сброса широко используется в процессе укладки трубопроводов.

Гидравлическая лебедка с функцией свободного сброса IYJ45-200-32-24-ZPL с тяговым усилием 20 тонн силы и тросом 32 метра имеет компактную структуру и отличается простотой в монтаже и запуске, высокой эффективностью и возможностью использовать её в течении длительного времени, надёжностью, низким уровнем шума, низкими эксплуатационными расходами и т.д. 

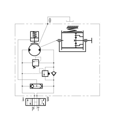
Сама гидравлическая лебедка в конструктивном плане является оборудованием, включающим в себя:

  • барабан, на который будет наматываться трос;
  • гидравлический двигатель, преобразующий гидравлическую энергию в тяговое усилие;
  • многодисковый тормоз, обеспечивающий надежность фиксации троса;
  • распределитель трехпозиционный, управляющий вращением барабана;
  • перепускные клапаны, защищающие систему от перегруза;
  • распределитель двухпозиционный, управляющий многодисковым тормозом барабана;
  • «челночный» клапан логический «ИЛИ», управляющий тормозом гидродвигателя;
  • гидроаккумулятор и обратный клапан, поддерживающий давление в управлении тормозом барабана.

     Все это закрепляется на раме.

Как и любая другая гидравлическая система, лебедка работает на энергии гидравлической жидкости.

Гидравлическую лебедку необходимо подключать к внешней гидросистеме (автономная насосная станция), которая может подключаться к двигателю внутреннего сгорания.

 

Принцип действия лебедки свободного сброса

В рабочем состоянии в гидравлической лебедке вращение и торможение осуществляется за счет механизма гидропривода барабана и многодискового тормоза.

Свободный сброс на гидравлической лебедке выполняется управлением распределителя тормоза. При подаче давления на поршень гидропривода тормоза барабана через тягу разжимаются тормозные диски, что в свою очередь освобождает барабан для свободного вращения. При наличии вывешенного на тросе груза происходит свободное падение. 

Гидравлическая схема функции свободного сброса Гидравлическая схема функции свободного сброса 

 

Технические характеристики лебедок свободного сброса:

Тяговое усилие на 1-ом слое – от 10 до 300 кН

Скорость навивки каната на 1-ом слое –  до 50 м/мин

Рабочее давление – до 30 МПа

Подача масла – до 480 л/мин

Диаметр каната – до 32 мм

Канатоемкость барабана – до 300 м

 

Все варианты конструктивного исполнения лебедок реализуются в соответствии с особенностями области применения, согласно техническому заданию и потребностям наших клиентов.

Для подбора гидравлической лебедки нашим специалистом заполните опросный лист. Это займет не более 2-х минут!

Тяговое усилие на 1 слое, тонн 20
Тяговое усилие на 1 слое, кН 200
Рабочий объем гидромотора, мл/об. 15874.6
Номинальный расход, л/мин 109
Скорость навивки на 1 слое, м/мин 6
Диаметр троса, мм 24
Количество слоев на барабане 3
Длина троса, м 32
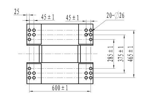
Длина, мм 1038
Ширина, мм 656
Высота, мм 580
Передаточное число 32,2
Номин. давление, МПа 17,6
Модель гидромотора INM2-500D240111
Перепад рабочего давления, МПа 15,6

Запрос
Настоящим подтверждаю, что я ознакомлен и согласен с условиями оферты и политики конфиденциальности.